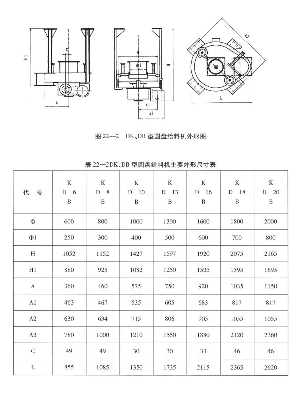
圆盘给料机是一种应用广泛的连续式容积加料设备,该机是利用物料的流动性,通过转动的圆盘和可调节的刮料板把物料从容器中刮送到受料设备中,适用于各种非粘性且流动性不是非常好的物料。该类机型设计紧凑,结构简单,调节方便,使用可靠,维修量小,噪音很低,是水泥厂、化工行业、发电厂等部门******的系统配陕西给料设备.同时可作为其它行业非粘性物料的喂(给)料设备,该机型为吊式结构。DB为封闭式结构,防尘,防灰,但调节运转均在封闭的壳体内,不够直观。DK为开式结构,适用于灰尘性不大的物料,并且运转,调节均直观明了。


上一个: 陕西GZ系列电磁振动给料机(宽槽型) 下一个: 陕西DK18、DB18型吊式圆盘给料机